91论坛

产品中心>

详情-ATF61501

ATF61501-11

5 GHz Power Amplifier

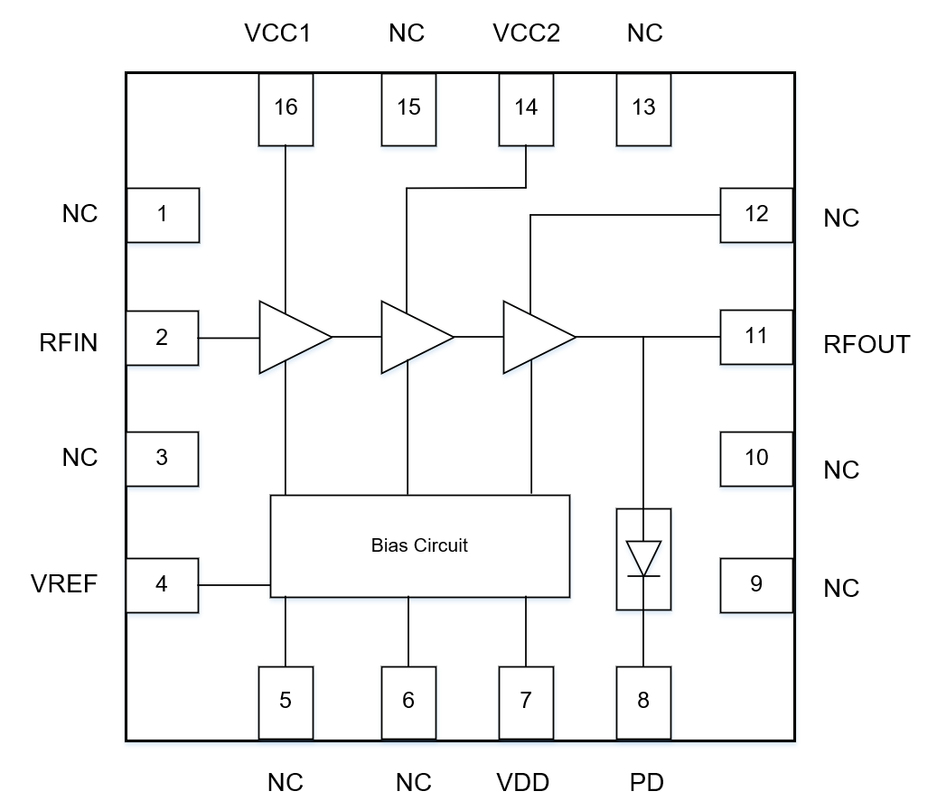
The ATF61501-11 is power amplifier (PA) designed for 5.1~5.9GHz frequency range, compatible with 802.11ax/802.11ac wireless LAN system. The device is manufactured based on advanced InGaP/GaAs HBT
(Hetero-junction Bipolar Transistor) process. The amplifier consists of 3 gain stages with inter-stage matching, build-in input matching network, and a power detector for close loop power control operation.
The device is provided in a tiny industry standard 16-lead surface mountpackage QFN 3mmX3mm.

Key Features

Frequency Range: 5.15-5.925 GHz

Supply voltage: 5V

Small signal gain: 32 dB

Psat: 30.5 dBm

Output power

– MCS11, +20.5 dBm, -43 dB DEVM

– MCS11, +21.5 dBm, -40 dB DEVM

– MCS9, +23 dBm, -35 dB DEVM

– MCS7, +24 dBm, -30 dB DEVM

Small QFN (16-pin, 3 × 3 mm) package

(MSL3, 260 °C per JEDEC J-STD-020)

Applications

High Power WLAN applications

IEEE 802.11ax Wireless LAN System

5GHz ISM Band Application

5GHz Cordless Phones

Block Diagram

logo

电话:189 2052 1860|邮箱:[email protected]|邮政编码:300393| 地址:天津市滨海高新区华苑产业区海泰西路18号北2楼301

版权所有© 91论坛-国产色情论坛 |