91论坛

产品中心>

详情-ATC78701

ATC78701

超宽带整数 N 分频频率综合器芯片

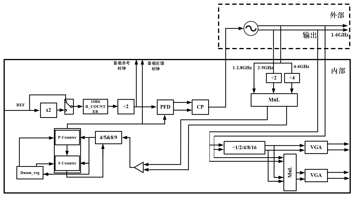
ATC78701 允许实现整数锁相环(PLL)频率合成器与外部环路滤波器、外部VCO和外部参考频率一起使用。可实现 62.5 MHz 至 5500 MHz的频率锁定。
ATC78701 同时内部集成一个1/2/4/8/16分频器,VCO经过该分频器,可实现低至于62.5MHz的频率输出,同时该芯片可做单独的分频器使用。
对于需要隔离的应用程序,可以将射频输出阶段设置静音。静音功能可以通过引脚和软件控制。
控制所有的片上寄存器是通过一个简单的三线线接口。 ATC78701 使用模拟和 3.15 V 到 3.45 V 的电源,电荷泵电压范围 0.5V 到 3.2 V。当需要宽调谐范围控制时,可以配合外部运算放大器使用。

Key Features

射频输出频率范围:62.5 MHz 至 5500 MHz

归一化噪底:-223 dBc/Hz

低工作电流:≤100mA

整数 N 分频频率综合器芯片

PFD工作至 75 MHz

可编程的 1/2/4/8/16 分频输出

模拟和数字电源: 3.3 V

芯片尺寸:1.1 mm x 2.2 mm

可提供塑封和裸片

国产替代ADF4150

温度范围:-55℃到125℃

分频器范围:1 GHz-4.2GHz

Applications

无线基础设施 (LTE、W-CDMA、TD-SCDMA、 WiMAX、GSM、PCS、DCS)

多点微波链路

卫星/虚拟航天飞机

测试设备

时钟产生

Block Diagrams

logo

电话:189 2052 1860|邮箱:[email protected]|邮政编码:300393| 地址:天津市滨海高新区华苑产业区海泰西路18号北2楼301

版权所有© 91论坛-国产色情论坛 |